MZ31PTC熱敏電阻器
- 描述:MZ31PTC熱敏電阻器用于各種熒光燈鎮流器、電子節能燈中,不必改動線路,將PTCR直接跨接在燈管的諧振電容器兩端,可以變電子鎮流器、節能燈的硬起動為預熱啟動,可延長燈管壽命。
體積小
耐壓高(800~1000VAC以上)
壽命長 (開關通電10000次以上)
功耗小
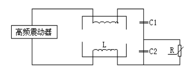
◆應用原理
MZ31PTC熱敏電阻器用于各種熒光燈鎮流器、電子節能燈中,不必改動線路,將PTCR直接跨接在燈管的諧振電容器兩端,可以變電子鎮流器、節能燈的硬起動為預熱啟動,可延長燈管壽命。工作電路原理如圖示:接通開關時,R處于常溫狀態,其電阻值遠低于C2阻值,電流通過C1,R形成回路使燈絲預熱,經過0.4-2秒后,R自熱溫度超過居里溫度達到高阻狀態,其阻值遠遠大于C2電阻值,電流通過C1,C2形成回路導致 LC諧振,產生高壓點亮燈管。

◆外形尺寸

◆產品編碼方法/訂貨方式

① 廠家代號 ANR
② 熱敏電阻器
③ 產品類別
2---過流保護類:21--包封型;22--光片型;23--塑套型
3---延時啟動類:31--普通型;32--復合型(智能型)
7---彩顯消磁類:71--焊接引線型;72--殼裝型(單片/2腳);73--殼裝型(雙片/3腳)
④熱敏電阻引線形狀:S--直線 ;A--軸彎 ;N--內彎
⑤熱敏電阻芯片直徑:03--3mm;04--4mm;12--12mm
⑥材料居里溫度:
L--50℃;V--60℃ ;M--75℃&80℃;K--90℃;N--100℃ Q--110℃;P--120℃;
X--130℃;R--140℃;S--150℃
⑦額定零功率電阻:
221-- 220Ω;472--4700Ω;R5--0.5Ω;4R7--4.7Ω;9R0--9.0Ω;180--18Ω
⑧標稱電阻允許誤差:
J--±5% ;K-- ±10%; L --±15% ;M--±20%;V--±25%;N--±30%
⑨耐電壓:800--800Vac;265--265Vac;270--270Vac
⑩包裝方式:B--散裝 ;C--編帶
◆技術參數
|
序號 N0 |
型 號 Part No |
額定零功率電阻值 (Ω) Rated zero Power resistance Rn(Ω) |
耐電壓 (Vac) Withstanding Voltage |
最大工作電流 Imax (mA) Max. W.C Imax (mA) |
開關溫度 (℃) Switching temperature (℃) |
外形尺寸 (mm) Dimensions (mm) |
||
|
Dmax |
Tmax |
d |
||||||
|
1 |
MZ 31S04L68RN360B |
68±30% |
360 |
200 |
50±7 |
4.5 |
5.5 |
0.5 |
|
2 |
MZ 31S04L101N400B |
100±30% |
400 |
|||||
|
3 |
MZ 31S04L151N400B |
150±30% |
400 |
|||||
|
4 |
MZ 31S04L221N500B |
220±30% |
500 |
|||||
|
5 |
MZ 31S04L331N600B |
330±30% |
600 |
|||||
|
6 |
MZ 31S04L471N600B |
470±30% |
600 |
|||||
|
7 |
MZ 31S04L681N600B |
680±30% |
600 |
|||||
|
8 |
MZ 31S04L102N600B |
1000±30% |
600 |
|||||
|
9 |
MZ 31S04L152N600B |
1500±30% |
600 |
|||||
|
10 |
MZ 31S04L222N600B |
2200±30% |
600 |
100 |
||||
|
11 |
MZ 31S04L332N600B |
3200±30% |
600 |
70 |
||||
|
12 |
MZ 31S04L472N600B |
4700±30% |
600 |
50 |
||||
|
13 |
MZ 31S04M68RN360B |
68±30% |
360 |
200 |
75±7 |
|||
|
14 |
MZ 31S04 M101N400B |
100±30% |
400 |
|||||
|
15 |
MZ 31S04M151N400B |
150±30% |
400 |
|||||
|
16 |
MZ 31S04M221N500B |
220±30% |
500 |
|||||
|
17 |
MZ 31S04M331N600B |
330±30% |
500 |
|||||
|
18 |
MZ 31S04M471N600B |
470±30% |
600 |
|||||
|
19 |
MZ 31S04M681N600B |
680±30% |
600 |
|||||
|
20 |
MZ 31S04M102N600B |
1000±30% |
600 |
|||||
|
21 |
MZ 31S04M152N600B |
1500±30% |
600 |
100 |
||||
|
22 |
MZ 31S04M222N600B |
2200±30% |
600 |
|||||
|
23 |
MZ 31S04M332N600B |
3200±30% |
600 |
70 |
||||
|
24 |
MZ 31S04M472N600B |
4700±30% |
600 |
50 |
||||
|
25 |
MZ 31S04N68RN360B |
68±30% |
360 |
200 |
100±7 |
|||
|
26 |
MZ 31S04N101N400B |
100±30% |
400 |
|||||
|
27 |
MZ 31S04N151N400B |
150±30% |
400 |
|||||
|
28 |
MZ 31S04N221N400B |
220±30% |
400 |
|||||
|
29 |
MZ 31S04N331N500B |
330±30% |
500 |
|||||
|
30 |
MZ 31S04N471N500B |
470±30% |
500 |
|||||
|
31 |
MZ 31S04N681N600B |
680±30% |
600 |
|||||
|
32 |
MZ 31S04N102N600B |
1000±30% |
600 |
|||||
|
33 |
MZ 31S04N152N600B |
1500±30% |
600 |
100 |
||||
|
34 |
MZ 31S04P68RN360B |
68±30% |
360 |
200 |
120±7 |
|||
|
35 |
MZ 31S04P101N400B |
100±30% |
400 |
|||||
|
36 |
MZ 31S04P151N400B |
150±30% |
400 |
|||||
|
37 |
MZ 31S04P221N400B |
220±30% |
400 |
|||||
|
38 |
MZ 31S04P331N500B |
330±30% |
500 |
|||||
|
39 |
MZ 31S04P471N500B |
470±30% |
500 |
|||||
|
40 |
MZ 31S04P681N600B |
680±30% |
600 |
|||||
|
序號 N0 |
型 號 Part No |
額定零功率電阻值 (Ω) Rated zero Power resistance Rn(Ω) |
耐電壓 (Vac) Withstanding Voltage |
最大工作電流 Imax (mA) Max. W.C Imax (mA) |
開關溫度 (℃) Switching temperature (℃) |
外形尺寸 (mm) Dimensions (mm) |
||
|
Dmax |
Tmax |
d |
||||||
|
41 |
MZ 31S06L68RN420B |
68±30% |
420 |
400 |
50±7 |
6.5 |
5.5 |
0.6 |
|
42 |
MZ 31S06L101N420B |
100±30% |
420 |
|||||
|
43 |
MZ 31S06L151N500B |
150±30% |
500 |
|||||
|
44 |
MZ 31S06L221N500B |
220±30% |
500 |
|||||
|
45 |
MZ 31S06L331N600B |
330±30% |
600 |
|||||
|
46 |
MZ 31S06L471N600B |
470±30% |
600 |
|||||
|
47 |
MZ 31S06L681N600B |
680±30% |
600 |
300 |
||||
|
48 |
MZ 31S06L102N600B |
1000±30% |
600 |
|||||
|
49 |
MZ 31S06L152N600B |
1500±30% |
600 |
150 |
||||
|
50 |
MZ 31S06L222N600B |
2200±30% |
600 |
100 |
||||
|
51 |
MZ 31S06M68RN420B |
68±30% |
420 |
400 |
75±7 |
|||
|
52 |
MZ 31S06M101N420B |
100±30% |
420 |
|||||
|
53 |
MZ 31S06M151N500B |
150±30% |
500 |
|||||
|
54 |
MZ 31S06M221N500B |
220±30% |
500 |
|||||
|
55 |
MZ 31S06M331N600B |
330±30% |
600 |
|||||
|
56 |
MZ 31S06M471N600B |
470±30% |
600 |
|||||
|
57 |
MZ 31S06M681N600B |
680±30% |
600 |
300 |
||||
|
58 |
MZ 31S06M102N600B |
1000±30% |
600 |
|||||
|
59 |
MZ 31S06M152N600B |
1500±30% |
600 |
150 |
||||
|
60 |
MZ 31S06M222N600B |
2200±30% |
600 |
100 |
||||
|
61 |
MZ 31S06N68RN400B |
68±30% |
400 |
400 |
100±7 |
|||
|
62 |
MZ 31S06N101N400B |
100±30% |
400 |
|||||
|
63 |
MZ 31S06N151N400B |
150±30% |
400 |
|||||
|
64 |
MZ 31S06N221N500B |
220±30% |
500 |
|||||
|
65 |
MZ 31S06N331N600B |
330±30% |
600 |
|||||
|
66 |
MZ 31S06N471N600B |
470±30% |
600 |
|||||
|
67 |
MZ 31S06N681N600B |
680±30% |
600 |
300 |
||||
|
68 |
MZ 31S06N102N600B |
1000±30% |
600 |
|||||
|
69 |
MZ 31S06P68RN400B |
68±30% |
400 |
400 |
120±7 |
|||
|
70 |
MZ 31S06P101N400B |
100±30% |
400 |
|||||
|
71 |
MZ 31S06P151N400B |
150±30% |
400 |
|||||
|
72 |
MZ 31S06P221N500B |
220±30% |
500 |
|||||
|
73 |
MZ 31S06P331N600B |
330±30% |
600 |
|||||
|
74 |
MZ 31S06P471N600B |
470±30% |
600 |
|||||
|
序號 N0 |
型 號 Part No |
額定零功率電阻值 (Ω) Rated zero Power resistance Rn(Ω) |
耐電壓 (Vac) Withstanding Voltage |
最大工作電流 Imax (mA) Max. W.C Imax (mA) |
開關溫度 (℃) Switching temperature (℃) |
外形尺寸 (mm) Dimensions (mm) |
||
|
Dmax |
Tmax |
d |
||||||
|
75 |
MZ 31S08L68RN400B |
68±30% |
400 |
800 |
50±7 |
8.5 |
5.5 |
0.6 |
|
76 |
MZ 31S08L101N500B |
100±30% |
500 |
|||||
|
77 |
MZ 31S08L151N500B |
150±30% |
500 |
|||||
|
78 |
MZ 31S08L221N600B |
220±30% |
600 |
|||||
|
79 |
MZ 31S08L331N600B |
330±30% |
600 |
600 |
||||
|
80 |
MZ 31S08L471N600B |
470±30% |
600 |
450 |
||||
|
81 |
MZ 31S08L681N600B |
680±30% |
600 |
300 |
||||
|
82 |
MZ 31S08L102N600B |
1000±30% |
600 |
200 |
||||
|
83 |
MZ 31S08K68RN400B |
68±30% |
400 |
800 |
90±7 |
|||
|
84 |
MZ 31S08K101N500B |
100±30% |
500 |
|||||
|
85 |
MZ 31S08K151N500B |
150±30% |
500 |
|||||
|
86 |
MZ 31S08K221N600B |
220±30% |
600 |
|||||
|
87 |
MZ 31S08K331N600B |
330±30% |
600 |
600 |
||||
|
88 |
MZ 31S08K471N600B |
470±30% |
600 |
450 |
||||
|
89 |
MZ 31S08K681N600B |
680±30% |
600 |
300 |
||||
|
90 |
MZ 31S08K102N600B |
1000±30% |
600 |
200 |
||||
|
91 |
MZ 31S08N68RN400B |
68±30% |
400 |
800 |
100±7 |
|||
|
92 |
MZ 31S08N101N500B |
100±30% |
500 |
|||||
|
93 |
MZ 31S08N151N500B |
150±30% |
500 |
|||||
|
94 |
MZ 31S08N221N600B |
220±30% |
600 |
|||||
|
95 |
MZ 31S08N331N600B |
330±30% |
600 |
600 |
||||
|
96 |
MZ 31S08N471N600B |
470±30% |
600 |
450 |
||||
|
97 |
MZ 31S08N681N600B |
680±30% |
600 |
300 |
||||
|
98 |
MZ 31S08N102N600B |
1000±30% |
600 |
200 |
||||
☆可根據客戶要求設計定做特殊規格產品。


